Search for Crane Part number
(click on image to open PDF document)
Figures in which the part appears:
Also known as:
36087340, 036087340, 0036087340
36087340, 036087340, 0036087340
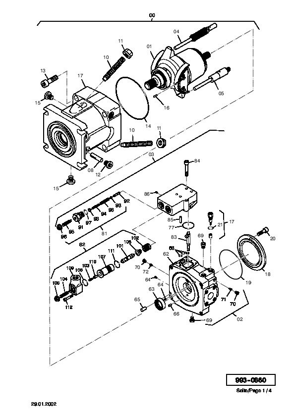
Parts for Demag CC 2800, Figure 993-0860:
Part Number 36087340: SCREW PLUG
Part Number 36087340: SCREW PLUG
* Selected parts are automatically added to your RFQ list *
Your request list:
| Pieces | Part nr. | Description | Brand | |
|---|---|---|---|---|
| - + | 36087340 | SCREW PLUG | Demag | ![]() |


