Search for Crane Part number
(click on image to open PDF document)
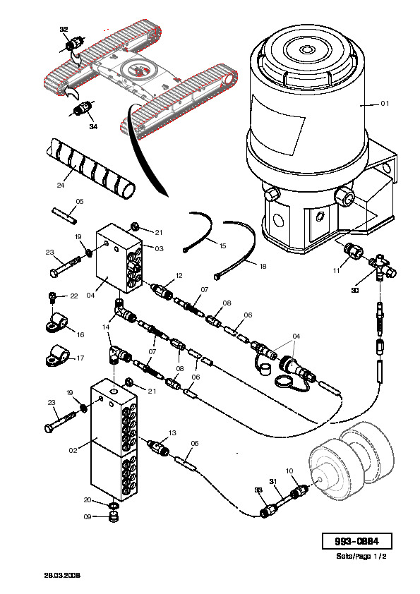
Figures in which the part appears:
Also known as:
97856173, 097856173, 0097856173
97856173, 097856173, 0097856173
Parts for Demag CC 2800, Figure 993-0884:
Part Number 97856173: UNION
Part Number 97856173: UNION
| Pos nr | Part number | Description | Weight in kg |
|---|---|---|---|
| - | 10591012 | CENTRAL LUBE SYSTEM, ASSY. | |
| 1 | 42096412 | LUBE PUMP | |
| 2 | 44000212 | DISTRIBUTOR | |
| 3 | 43063212 | MANIFOLD | |
| 4 | 42168212 | COUPLING | |
| 5 | 77840473 | PLASTIC TUBE | 0.1 |
| 6 | 57616040 | HOSE | |
| 7 | 44005012 | SOCKET | 0.01 |
| 8 | 77837573 | SLEEVE | 0.01 |
| 9 | 46048212 | SCREW PLUG | |
| 10 | 97856173 | UNION | |
| 11 | 46024812 | FITTING | |
| 12 | 76541173 | FITTING | |
| 13 | 76541273 | UNION | 0.02 |
| 14 | 76541373 | SCREWING | 0.02 |
| 15 | 77837973 | CABLE STRAP | |
| 16 | 77839073 | PIPE CLAMP | |
| 17 | 43105412 | PIPE CLAMP | |
| 18 | 77838873 | STRAP | |
| 20 | 32402040 | SEAL RING | |
| 21 | 40118112 | NUT | |
| 22 | 43105512 | SCREW | |
| 23 | 40118012 | BOLT | |
| 24 | 77840273 | PROTECTIVE COIL | |
| 30 | 43061112 | VALVE | |
| 31 | 44005412 | ADAPTER | |
| 32 | 43061212 | UNION | |
| 33 | 76540873 | UNION | |
| 34 | 43061312 | UNION |
* Selected parts are automatically added to your RFQ list *
Your request list:
| Pieces | Part nr. | Description | Brand | |
|---|---|---|---|---|
| - + | 42102612 | HOSE, ASSY. | Demag | ![]() |
| - + | 78015773 | FEMALE HOUSING | Demag | ![]() |
| - + | 50249798 | AXLE-GREASE | Demag | ![]() |
| - + | 42102512 | HOSE, ASSY. | Demag | ![]() |
| - + | 51032198 | DISC | Demag | ![]() |
| - + | 55138940 | SOCKET | Demag | ![]() |
| - + | 49028440 | CLAMP | Demag | ![]() |
| - + | 15364640 | TEST UNION | Demag | ![]() |
| - + | 00997035 | THRUST RING | Demag | ![]() |
| - + | 00997347 | INTERNAL GEAR | Demag | ![]() |
| - + | 50081398 | SCREW | Demag | ![]() |
| - + | 77881173 | HOSE CLIP | Demag | ![]() |
| - + | 00997129 | BEARING | Demag | ![]() |
| - + | 77827773 | SOCKET | Demag | ![]() |
| - + | 31925599 | HEXSOCK SCREW M10 | Demag | ![]() |
| - + | 77826973 | METAL RUBBER BUFFER | Demag | ![]() |
| - + | 77881073 | HOSE CLIP | Demag | ![]() |
| - + | 00997325 | SUN GEAR | Demag | ![]() |
| - + | 42102712 | HOSE | Demag | ![]() |
| - + | 50150298 | TUBE | Demag | ![]() |
| - + | 34317699 | WASHER | Demag | ![]() |
| - + | 97856173 | UNION | Demag | ![]() |


